Gigabyte E350N-USB3, AMD Zacate con la qualità gigabyte - Schema e i vari integrati

Indice articoli

 

Schema e i vari integrati

Esaminando gli integrati sulla scheda vediamo quelli più importanti:

rtl8111E

Realtek RTL8111E,  controller IEEE 802.3 di rete da un Gigabit di velocità.

rtm880t

Realtek RTM880T, clock generator della scheda (PLL).

d720200af1

NEC/Renesas D720200AF1, controller USB 3.0 in grado di controllare 2 porte.

l6329

InterSil ISL6329, controller PWM di tipo dual plane. In grado di controllare fino a 6 fasi con Driver esterni o 2 fasi con i Driver interni.

alc892

Realtek ALC892, controller audio High Definition a 8 canali con supporto Dolby Home Theater.

ite

ITE IT8720F, controller I/O dedicato al controllo di temperature, voltaggi, e ventole.

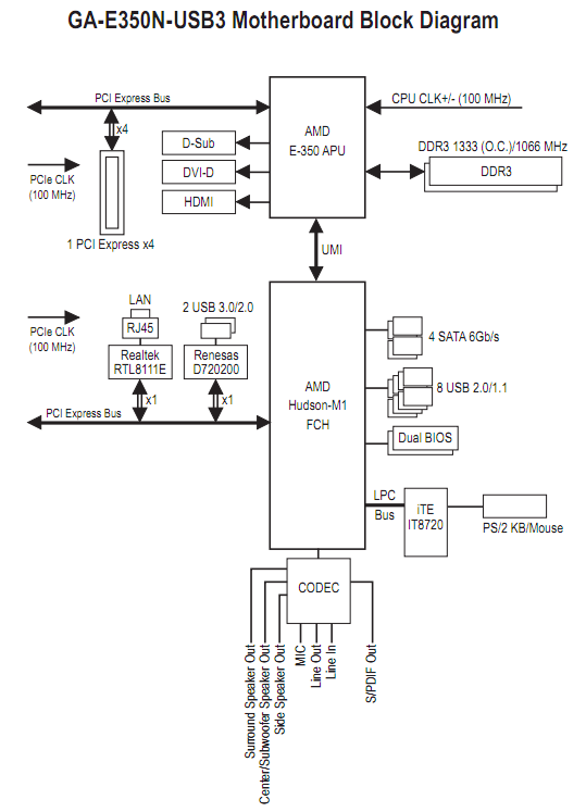
Di seguito, invece, è inserito lo schema logico della scheda.

schemalogico

Corsair